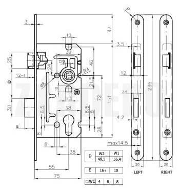
DIN bevésőzár beltéri fa ajtókhoz. A műanyag záró retesz a csapda biztosítja a belső ajtók halk csukódását és reteszelését. Az eltolt zárháznak köszönhetően az ajtó erősebb a zár területén, mert az ajtó taró fala vastagabb marad a zár beszerelése után. A zár élettartama: minimum 100 000 nyitási/zárási ciklus. Csendes, tartós és gazdaságos zár beltéri ajtókhoz.
