Prémium minőségű Dorma TS 68 típusú ajtócsukó 40-80 kg-os ajtóhoz.
Az ideális és kedvező megoldás szabványos ajtókhoz
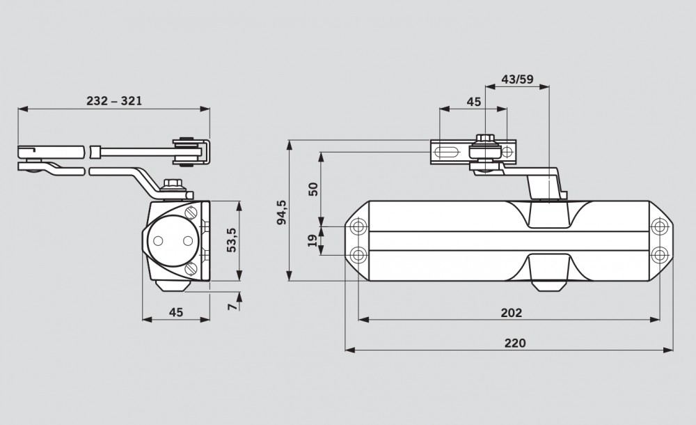
A DORMA TS 68 típusú ajtócsukó kedvező áron kapható, univerzálisan felhasználható minden fajta kivitelű és szerkezetű ajtóhoz. Gyorsan és egyszerűen szerelhető szerelőlap nélkül.
- DIN jobbos és balos ajtókhoz ugyanaz a kivitel
- Optimális rögzítés minden ajtószerkezetre szerelőlap nélkül
- Rögzítéssel állítható csukóerőnagyság
- Két független szögtartományban állítható záródási sebesség egymástól függetlenül fokozatmentesen állítható. Szögtartományok: 180 ◦ és 15 ◦ között és 15 ◦ és 0 ◦ között
- Opcionálisan ajtórögzítési megoldással
Csaknem az összes általánosan használt ajtótípushoz használható
A TS 68 készülékkel a DORMA egy olyan, kedvező áru ajtócsukót fejlesztett ki, amely univerzálisan használható csaknem az összes elterjedt ajtótípushoz. Gyorsan és egyszerűen szerelhető, szerelőlap nélkül.
Gyors és egyszerű szerelés
A felszerelése különösen gyors és egyszerű és nem igényel rögzítőhátlapot.
Az ajtócsukó felszerelését, elhelyezését megkönnyíti a mellékelt szerelési sablon. Az ajtóméretnek megfelelő erőnagyság pedig a pánthoz való rögzítés adja meg.
ISO 9001 szerint tanúsított gyártás.
Előnyök szerelők/összeállítók számára
- DIN jobbos és balos ajtókhoz ugyanaz a kivitel
- Gyors és könnyű szerelés
- Rögzítőlap nem szükséges a szereléshez
Előnyök az építészek számára
- Kompakt kialakítás
- Megfelelő ár/érték arány, széles körű felhasználhatóság, minősített termék
Előnyök a felhasználó számára
- A hőmérsékletingadozásoktól szinte független csukási folyamat
- Két szabályozószelep biztosítja a csukási sebességek optimális beállítását a biztos csukódás érdekében.
Termékismertető letöltése»
